電力預防性試驗設備提供商

服務熱線:400-6698-612
鼎升電力> 電力技術 > 電力預防性試驗 > DEWJB-6H微機繼電保護測試儀如何校驗功率繼電器?
電力預防性試驗 / Power Preventive Test

DEWJB-6H微機繼電保護測試儀如何校驗功率繼電器?

返回 打印

電力技術來源:產品技術部   發布時間:2014-08-25 00:00:00   閱讀量:1154
摘要:  

DEWJB-6H微機繼電保護測試儀如何校驗功率繼電器?,鼎升電力技術《DEWJB-6H微機繼電保護測試儀如何校驗功率繼電器?》、使用方法及,DEWJB-6H微機繼電保護測試儀如何校驗功率繼電器?來自于鼎升電力檢測試驗技術,鼎升電力致立研發標準、穩定、安全的電力試驗設備。

鼎升電力是相關產品及技術的制造廠家,如您遇到相關問題,可撥打027-87875698咨詢!

        DEWJB-6H微機繼電保護測試儀是在參照電力部頒發的《微機型繼電保護試驗裝置技術條件(討論稿)》的基礎上,廣泛聽取用戶意見,總結目前國內同類產品優缺點,充分使用現代先進的微電子技術和器件實現的一種新型小型化微機繼電保護測試儀微機繼電保護測試儀有8路開入和4路開出。開關量輸入電路可兼容空接點和0~250V電位接點。電位方式時,0~6V為合,11~250V為分。開關量可以方便地對各相開關觸頭的動作時間和動作時間差進行測量。微機繼電保護測試儀采用高速數字控制處理器作為輸出核心,軟件上應用32位雙精度算法產生各相任意的高精度波形。由于采用一體結構,各部分結合緊密,數據傳輸距離短,結構緊湊。克服了筆記本電腦直接控制式測控儀中因數據通信線路長、頻帶窄導致的輸出波形點數少的問題。微機繼電保護測試儀是繼保工作者得心應手的好工具。  
        DEWJB-6H微機繼電保護測試儀如何校驗功率繼電器:  
        (1)功率方向繼電器動作區和靈敏角的測量 
在功率、阻抗試驗中,設定Uab、Ia為額定值,設置Uab相角步長,加減電壓相位角(可用自動試驗方式),測出動作區兩邊邊界角φ1、φ2,則靈敏角φLM=½(φ1+φ2)。  
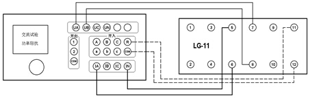
        (2)最小動作功率的測量 
將角度設置在靈敏角φLM,設定Ia(或Uab)為額定值、Uab(或Ia)為零。

        設置Uab(或Ia)的步長,增加電壓(或電流)。測出最小動作功率。如上圖所示。
       (3)潛動試驗  
        電流回路開路,設置Uab初值為零、步長為額定電壓,突然加上或切除電壓,繼電器觸點不應有瞬間接通現象。  
        電壓回路經20歐電阻短路,設置Ia 初值為零、步長為數倍額定電流,突然加上或切除電流,繼電器觸點不應有瞬間接通現象。  
        (4)記憶作用檢驗  
        在靈敏角下設置Ia 為0.5倍和數倍額定電流時,Uab由100V突降至零,繼電器應可靠動作,說明記憶作用良好。  

        更多DEWJB-6H微機繼電保護測試儀的詳細參數請訪問:   
        http://m.bjzhongyuan.com.cn/501/
更多技術問題請致電鼎升電力客戶服務:400-6698-612,技術部:027-87180938,在線客服:2239963269
注:如果您對所購買的產品需要做技術引導,您可與我司技術部聯系,售后、保修、維修服務中心:/shfw.html
如果您在閱讀時,對 "DEWJB-6H微機繼電保護測試儀如何校驗功率繼電器?"等有相關的疑問或者建議?
請給我們留言,立即留言 我們收到問題后,會及時與您聯系,如果您的問題比價重要,您也可以通過027-87875698與技術部聯系,我們同樣會盡快處理您的問題。
《中華人民共和國電信與信息服務業務經營業員許可證》粵ICP備13003602號 法律聲明