電力預防性試驗設備提供商

服務熱線:400-6698-612
鼎升電力> 電力技術 > 電力預防性試驗 > DEWJB-6H微機繼電保護測試儀如何同步檢查繼電器校驗
電力預防性試驗 / Power Preventive Test

DEWJB-6H微機繼電保護測試儀如何同步檢查繼電器校驗

返回 打印

電力技術來源:產品技術部   發布時間:2014-08-25 00:00:00   閱讀量:1120
摘要:  

DEWJB-6H微機繼電保護測試儀如何同步檢查繼電器校驗,鼎升電力技術《DEWJB-6H微機繼電保護測試儀如何同步檢查繼電器校驗》、使用方法及,DEWJB-6H微機繼電保護測試儀如何同步檢查繼電器校驗來自于鼎升電力檢測試驗技術,鼎升電力致立研發標準、穩定、安全的電力試驗設備。

鼎升電力是相關產品及技術的制造廠家,如您遇到相關問題,可撥打027-87875698咨詢!

        DEWJB-6H微機繼電保護測試儀是在參照電力部頒發的《微機型繼電保護試驗裝置技術條件(討論稿)》的基礎上,廣泛聽取用戶意見,總結目前國內同類產品優缺點,充分使用現代先進的微電子技術和器件實現的一種新型小型化微機繼電保護測試儀微機繼電保護測試儀有8路開入和4路開出。開關量輸入電路可兼容空接點和0~250V電位接點。電位方式時,0~6V為合,11~250V為分。開關量可以方便地對各相開關觸頭的動作時間和動作時間差進行測量。微機繼電保護測試儀采用高速數字控制處理器作為輸出核心,軟件上應用32位雙精度算法產生各相任意的高精度波形。由于采用一體結構,各部分結合緊密,數據傳輸距離短,結構緊湊。克服了筆記本電腦直接控制式測控儀中因數據通信線路長、頻帶窄導致的輸出波形點數少的問題。微機繼電保護測試儀是繼保工作者得心應手的好工具。  
        DEWJB-6H微機繼電保護測試儀如何同步檢查繼電器校驗:  
        (1)兩線圈極性關系檢查  
        在交流試驗中,設定Ua、Uc輸出額定電壓接入兩線圈,繼電器不動作,但斷開任一線圈繼電器即動作,說明2、6為同極性端子,否則2、4為同極性端子。  
        (2)動作角度的測量      
        調節好極性端子,設定Ua、Uc為額定電壓,改變兩電壓之間的角度,測出動作值和返回值。  
        (3)動作、返回電壓的測量  
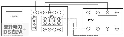
        設定一個線圈電壓為零,另一線圈電壓由零逐步增加(可用自動試驗方式)測出動作電壓,再逐步減小電壓,測出返回電壓。交換線圈再做同樣試驗。接線如下圖所示:


        更多DEWJB-6H微機繼電保護測試儀的詳細參數請訪問:   
        http://m.bjzhongyuan.com.cn/501/
更多技術問題請致電鼎升電力客戶服務:400-6698-612,技術部:027-87180938,在線客服:2239963269
注:如果您對所購買的產品需要做技術引導,您可與我司技術部聯系,售后、保修、維修服務中心:/shfw.html
如果您在閱讀時,對 "DEWJB-6H微機繼電保護測試儀如何同步檢查繼電器校驗"等有相關的疑問或者建議?
請給我們留言,立即留言 我們收到問題后,會及時與您聯系,如果您的問題比價重要,您也可以通過027-87875698與技術部聯系,我們同樣會盡快處理您的問題。
《中華人民共和國電信與信息服務業務經營業員許可證》粵ICP備13003602號 法律聲明