交直流避雷器放電計數器測試儀測試原理,鼎升電力技術《交直流避雷器放電計數器測試儀測試原理》、避雷器放電計數器測試儀使用方法及避雷器放電計數器測試,交直流避雷器放電計數器測試儀測試原理來自于鼎升電力檢測試驗技術,鼎升電力致立研發標準、穩定、安全的電力試驗設備。
鼎升電力是避雷器放電計數器測試儀相關產品及技術的制造廠家,如您遇到相關問題,可撥打027-87875698咨詢!
DHFD-T交直流避雷器放電計數器測試儀(交直流)適用于電站,氣象站等裝有放電計數器的測試條件,避雷器放電計數器測試儀是針對放電計數器是否正常動作的一個專用避雷器放電計數器測試儀器,交直流避雷器放電計數器測試儀適用于各種JS8,JS9及其它JS型號避雷器的放電動作計數器動作情況檢測,DHFD-T交直流避雷器放電計數器測試儀采用8/20μs電流波形輸出,操作簡單、使用簡單,真實的檢測計數器的動作情況,交直流避雷器放電計數器測試儀采用交直流供電方式,方便客戶現場移動。

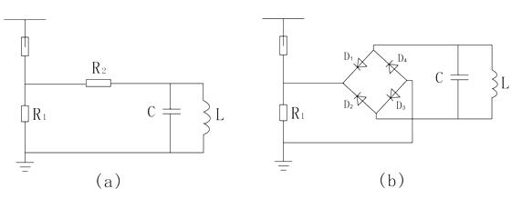
圖1 JS型動作記數器的原理接線
(a)JS型;
(b)JS-8型
R1、R2-非線性電阻;
C-貯能電容器
L-記數器線圈;
D1~D4-硅二極管
圖1所示為JS型動作記數器的原理接線圖。圖1(a)為JS型動作記數器的基本結構,即所謂的雙閥片式結構。當避雷器動作時,放電電流流過閥片RR1R,在RR1R上的壓降經閥片RR2R給電容器C充電,然后C再對電磁式記數器的電感線圈L放電,使其轉動1格,記1次數。改變RR1R及RR2R的阻值,可使記數器具有不同的靈敏度。一般最小動作電流為100A(8/20μs)的沖擊電流。因RR1R上有一定的壓降,將使避雷器的殘壓有所增加,故它主要用于40kV以上的高壓避雷器。
圖1(b)表示 JS-8型動作記數器的結構,系整流式結構。避雷器動作時,高溫閥片RR1R上的壓降經全波整流給電容器C充電,然后C再對電磁式記數器的L放電,使其記數。該記數器的閥片RR1R的阻值較小(在10kA時的壓降為1.1kV),通流容量較大( 1200A方波),最小動作電流也為100A(8/20 s)的沖擊電流。JS-8型記數器可用于6.0~ 330kV系統的避雷器,JS-8A型記數器可用于 500kV系統的避雷器。
2239963269