摘要:接地導通測試儀 接地引線導通測試儀
DIDT-10A接地引下線導通測試儀的操作方法,鼎升電力技術《DIDT-10A接地引下線導通測試儀的操作方法》、接地引下線導通測試儀使用方法及接地導通測試儀,DIDT-10A接地引下線導通測試儀的操作方法來自于鼎升電力檢測試驗技術,鼎升電力致立研發標準、穩定、安全的電力試驗設備。
鼎升電力是接地引下線導通測試儀相關產品及技術的制造廠家,如您遇到相關問題,可撥打027-87875698咨詢!
DIDT-10A
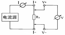
接地引下線導通測試儀按下圖接線方法接線。

DIDT-10A
接地導通測試儀附帶兩根測試線,一根紅色50米的線在線盤上,在大的叉子接在紅色接線柱I+,小的叉子接在紅色接線柱U+,一根黑色5米的線上大的叉子接在黑色接線柱I-,小的叉子接在黑色接線柱U-。
2.先找出與地網聯接合格的引下線作為基準點。
3.使用DIDT-10A
接地引線導通測試儀自配的兩根測量線(50米、5米)一端插入儀器接線座,帶有測試鉗的一端夾到基準點和被測點(其中黑色測試線夾在基準點,紅色測試線夾在各個被測試點上)。
4.為了使測出數據的正確性,請盡量處理好被測點的接觸面的干凈。
5.接線檢查確認無誤后,接入220V交流電,合上電源開關,儀器進入開機狀態。按“測量”鍵后即開始測試,屏幕中間的顯示區顯示測量的電阻值即為導通電阻值,單位為mΩ。
測試結果是否正常請參考下表:

6.彈起“測量” 鍵,設備測試結束,關掉電源,將測試線夾收好,放入附件包內。