繼電保護裝置及差動繼電器校驗方法,鼎升電力技術《繼電保護裝置及差動繼電器校驗方法》、六相微機繼電保護測試儀使用方法及差動繼電器校驗方法,繼電保護裝置及差動繼電器校驗方法來自于鼎升電力檢測試驗技術,鼎升電力致立研發標準、穩定、安全的電力試驗設備。
鼎升電力是六相微機繼電保護測試儀相關產品及技術的制造廠家,如您遇到相關問題,可撥打027-87875698咨詢!
繼電保護裝置是由一個或多個保護元件,邏輯元件按要求組裝而成,又根據每個元件的功能特征,完成電力系統中特定對象的保護功能的實現裝置,繼電保護裝置主要作用是能反應電氣設備的故障和不正常工作狀態并自動迅速的將故障設備從整套系統中切除,保證正常設備繼續運行,有效減少事故損失的廣度,所以電力系統中,對繼電保護裝置必須滿足選擇性,速動性,靈敏性和可靠性,
1、直流助磁特性的測量
在差動試驗中,制動電流 Izd 設定為直流電流,逐次改變 Izd 值,在每一助磁電流時加減動作電流 Idz(可用自動試驗方式),測出動作電流IDZ,繪制制動特性曲線。
2、比率制動特性的測量
制動電流 Izd 設定為基波電流,逐次改變 Izd 值,在每一制動電流時加減動作電流 Idz,測出動作電流IDZ,繪制制動特性曲線。
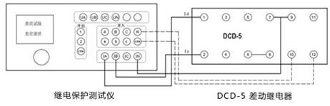
注意:若是DCD—2(A)型差動繼電器,其試驗接線如下:

IA-- 7,IB--9,IN--1,開入A--10,開入公共端+COM--12,繼電器的3和5,6和8分別短接即可。
3、二次諧波制動特性的測量
制動電流Izd 設定為二次諧波電流,逐次改變 Izd 值,在每一制動電流時加減動作電流 Idz,測出動作電流IDZ,繪制二次諧波制動特性曲線。
4、高次諧波制動特性的測量
在差動諧波試驗中,制動電流 Izd 設定為各次諧波疊加電流,逐次改變 Izd 的某次諧波值,測出動作電流IDZ。
2239963269