摘要:接地電阻測試儀 數字接地電阻測試儀使用注意事項
DER2571數字接地電阻測試儀使用注意事項,鼎升電力技術《DER2571數字接地電阻測試儀使用注意事項》、數字接地電阻測試儀使用方法及接地電阻測試儀,DER2571數字接地電阻測試儀使用注意事項來自于鼎升電力檢測試驗技術,鼎升電力致立研發標準、穩定、安全的電力試驗設備。
鼎升電力是數字接地電阻測試儀相關產品及技術的制造廠家,如您遇到相關問題,可撥打027-87875698咨詢!
DER2571數字接地電阻測試儀使用注意事項: 1.存放保管本表時,應注意環境溫度濕度,應放在干燥通風的地方為宜,避免受潮,應防止酸堿及腐蝕氣體。
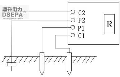
2.測量保護接地電阻時,一定要斷開電氣設備與電源連接點。在測量小于1Ω的接地電阻時,應分別用專用導線連在接地體上,C2在外側P2在內側如下圖所示:

3.測量大型接地網接地電阻時,不能按一般接線方法測量,可參照電流表、電壓表測量法中的規定選定埋插點。
4.測量地電阻時最好反復在不同的方向測量3~4次,取其平均值。
5.DER2571
接地電阻測試儀為交直流兩用,不接交流電時,數字接地電阻測試儀使用電池供電,接入交流時,優先使用交流電。
6.當表頭左上角顯示“←”時表示電池電壓不足,應更換新電池。DER2571數字接地電阻測試儀長期不用時,應將電池全部取出,以免銹蝕儀表。