• 鼎升電力二維碼
  • 電力預防性試驗China Electric Industry Ieaders
  • 全國統一服務熱線:400-6698-612

DFXL-H輸電線路工頻參數測試儀使用方法

輸電線路工頻參數測試儀操作方法

一、輸電線路工頻參數測試儀使用方法

(一)基本介紹

    新建高壓線路在投入運行之前,除了檢查線路的絕緣情況、核對相位外,還應測量各種工頻參數值,作為計算系統短路電流、繼電保護整定、推算潮流分布和選擇合理運行方式等工作的實際依據。主要包括:正序阻抗、正序電容、零序阻抗、零序電容、相間阻抗、相間電容、線地阻抗、線地電容、互感阻抗。

(二)測試方法:

⑴.正序阻抗:

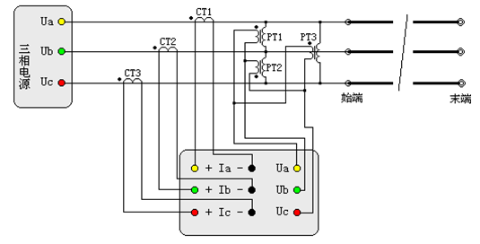
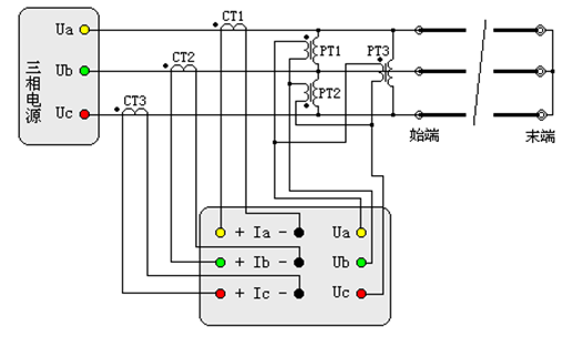
正常時采用直接接入的方式進行測試,如圖十五:
輸電線路工頻參數測試儀正序阻抗測試接線圖(直接接入) 圖十五 正序阻抗測試接線圖(直接接入) 如果現場的感應電壓較高,為安全起見,采用經電壓互感器和電流互感器接入的方式:
輸電線路工頻參數測試儀正序阻抗測試接線圖(經PTCT) 圖十六 正序阻抗測試接線(經PTCT) 圖十五中可見,線路末端三相短路(短路應有足夠的接觸面,并且連接牢靠,否則接觸電阻影響測試結果),在線路始端加三相工頻電源,儀器可測量出各相電流、三相的線電壓、三相總功率,并自動測量計算出正序阻抗、正序電阻、正序電抗、正序電感。試驗電源的電壓和容量按線路長度來選擇,以免由于電流過小引起較大的測量誤差。經PTCT接入時要先將儀器的參數設置中設置相應的互感器變比的比值。

⑵.正序電容:

正常時采用直接接入的方式,如圖十七:
輸電線路工頻參數測試儀正序電容 圖十七 正序電容測試接線圖(直接接入) 如果試驗電壓超過了儀器的測量范圍,或者現場的感應電壓較高,為安全起見,采用經電壓互感器和電流互感器接入的方式,如圖十八:
輸電線路工頻參數測試儀正序電容測試接線圖 圖十八 正序電容測試接線圖(經PTCT) 圖十七可見,將線路末端各相獨立懸浮,始端加三相電源,儀器可測量出各相電流、三相的線電壓、和三相總功率,并自動測量計算出正序導納、正序電導、正序電納、正序電容。

⑶.零序阻抗:

將線路末端三相短路接地,始端三相短路接單相交流電源,接線如圖十九,儀器可測量出電流、電壓,功率,并自動測量計算出零序阻抗、零序電阻、零序電抗、零序電感。
輸電線路工頻參數測試儀零序阻抗測試接線圖 圖十九 零序阻抗測試接線圖

⑷.零序電容

正常時采用直接接入方式,如圖二十:
輸電線路工頻參數測試儀零序電容測試接線圖 圖二十 零序電容測試接線圖(直接接入) 如果試驗電壓超過了儀器的測量范圍,或者現場的感應電壓較高,為安全起見,采用經電壓互感器和電流互感器接入的方式,如圖二十一:
輸電線路工頻參數測試儀零序電容測試接線圖 圖二十一 零序電容測試接線圖(經PTCT) 圖二十、圖二十一可見,將線路末端各相獨立懸浮,始端三相短路施加單相交流電源。儀器可測量出電流、電壓,功率,并自動測量計算出零序導納、零序電納、零序電導、零序電容。

⑸.相間阻抗:

相間阻抗指的是用單相法測量任意兩相線路之間的阻抗,例如:測量AB的相間阻抗,將AB兩相末端短路懸浮,始端在A、B兩相之間加單相電源。接線如圖二十二:
輸電線路工頻參數測試儀相間阻抗測試接線圖 圖二十二 相間阻抗測試接線圖 輸電線路工頻參數測試儀可測量出電流、電壓,功率,并自動測量計算出相間阻抗、相間電阻、相間電抗、相間電感。

⑹.相間電容:

相間阻抗指的是用單相法測量任意兩相線路之間的電容,例如:測量AB的相間電容,與相間阻抗測試接線基本相同,將被測線路的末端各相獨立懸浮,始端在A、B兩相之間加單相電源,接線如圖二十三:
輸電線路工頻參數測試儀相間電容測試接線圖(直接接入) 圖二十三 相間電容測試接線圖(直接接入) 輸電線路工頻參數測試儀相間電容測試接線圖(經PTCT接入) 圖二十四 相間電容測試接線圖(經PTCT接入) 輸電線路工頻參數測試儀可測量出電流、電壓,功率,并自動測量計算出相間導納、相間電納、零序電導、零序電容。

⑺.線地阻抗:

線地阻抗指的是用單相法測量任意相線路對地之間的阻抗,將線路末端短路接地,始端各相獨立懸浮,由測試相施加單相電源,接線如圖二十五:
輸電線路工頻參數測試儀線地阻抗測試接線圖 圖二十五 線地阻抗測試接線圖 輸電線路工頻參數測試儀可測量出電流、電壓,功率,并自動測量計算出線地阻抗、線地電阻、線地電抗、線地電感。

⑻.線地電容:

線地電容指的是用單相法測量任意相線路對地之間的電容,將線路末端獨立懸浮,始端各相獨立懸浮,由測試相施加單相電源,接線如圖二十六:
輸電線路工頻參數測試儀線地電容測試接線圖 圖二十六 線地電容測試接線圖 輸電線路工頻參數測試儀線地電容測試接線圖(經PTCT接入) 圖二十七 線地電容測試接線圖(經PTCT接入) 輸電線路工頻參數測試儀可測量出電流、電壓,功率,并自動測量計算出線地導納、線地電納、線地電導、線地電容。

⑼.互感阻抗

輸電線路工頻參數測試儀互感阻抗測試接線圖 圖二十八 互感阻抗測試接線圖 接線如圖二十八所示,將1、2兩回平行線路的始末端三相各自短路,并將末端接地。在其中一回線路加試驗電壓,從加電回路測量電流;從另外一條線路測量感應出來的電壓。儀器可測量出加電回路的電流、感應回路的電壓,功率,并自動測量計算出互感阻抗、互感電阻、互感電抗、互感電感。

⑽.耦合電容

輸電線路工頻參數測試儀耦合電容測試接線圖 圖二十九 耦合電容測試接線圖 按圖二十九接線,將1、2兩回平行線路的始端三相短接,并將末端懸浮。在其中一回線路加試驗電壓,并從加電回路測量電壓值;從另外一條線路地測量電流值。儀器可相應的電壓、電流、功率,并自動計算出耦合電容。

廠家承諾、客戶必讀
說明我公司將竭誠為您提供專業的產品及咨詢與有效的技術服務,并及時提供工程預約及產品使用疑難解答, 已購買或即將使用本公司產品的客戶,遇技術疑難,請致電我們。

我們嚴格遵守與客戶簽訂的合同的各項條款,嚴格履行廠家銷售服務承諾書,本產品一年質保,終身維修,因使用不當或保修期外的故障產品可憑產品保修卡修理。本公司堅持"用戶為是,品質為上"的服務使命,為客戶提供優質的產品和滿意的服務。

產品服務流程|檢定證書| 出廠報告|保修卡|物流包裝|產品技術

400-6698-612 全國產品統一服務熱線(免費咨詢)
027-87875698 / 027-87180938

027-87180938
工作時間(上午8點30分 至 下午17點30分)

產品維修中心|技術咨詢|訂制產品
  • 客服中心
  • 全國統一服務熱線:400-6698-612
  • 銷售咨詢:027-87875698
  • 技術售后:027-87180938
  • 2239963269 (點擊咨詢)
Copyright © 2016 CHINA DSEPA | 法律聲明 鄂ICP備14004560號
武漢鼎升電力自動化有限責任公司 版權所有 侵權必究