• 鼎升電力二維碼
  • 電力預防性試驗China Electric Industry Ieaders
  • 全國統一服務熱線:400-6698-612

DHFD-H避雷器放電計數器測試儀使用方法

避雷器放電計數器測試儀操作方法

一、避雷器放電計數器測試儀動作的檢查方法及計數器檢測儀原理

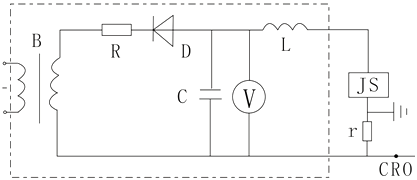
    由于密封不良,動作記數器在運行中可能進入潮氣或水分,使內部元件銹蝕,導致記數器不能正常動作,所以《規程》規定,每年應檢查1次。現場檢查記數器動作的方法有電容器放電流支、交流法和標準沖擊電流法。研究表明,以標準沖擊電流法最為可靠,其原理接線如圖2所示。 避雷器放電計數器測試儀標準沖擊電流檢測法的原理接線圖 圖2 標準沖擊電流檢測法的原理接線 (虛線框內為沖擊電流發生器) C-充電電容;R-充電電阻;L-阻尼電感; D-整流硅二極管;r-分流器;B-試驗變壓器; V-靜電電壓表;CRO-高壓示波器 將沖擊電流發生器發生的8/20μs、100A的沖擊電流波作用于動作記數器,若記數器動作正常,則說明儀器良好,否則應解體檢修。例如某電業局曾用此法對27只記數器進行檢測其中有3只不動作,解體發現內部元件受潮、損壞。 《規程》規定,連續測試3~5次,每次應正常動作,每次時間間隔不少于30s。測試后記錄器應調到0。

二、避雷器放電計數器測試儀操作方法

避雷器放電計數器測試儀操作方法   1.將避雷器放電計數器測試儀輸出端與避雷器計數器兩端相連(連結線要盡量短),紅色端接上端,黑色端接地端。
  2.將電源線接好后,檢查避雷器放電計數器測試儀及接線是否正確,確認無誤后即可開始試驗。
  3.合上電源開關(電源燈亮),待電壓穩定(600V左右)后,即可開始校驗。
  4.按下核驗鍵,輸出電壓立即下降,此時可觀察計數器的動作 情況。
  5.如需多次試驗,可待輸出電壓達到穩定值時,再按校驗鍵,并觀察計數器的動作情況。
  6.檢驗完畢后,立即關掉電源,待輸出電壓完全回零時,才能拆除接線。
  7. 如按檢驗鍵、,輸出電壓沒有下降,應關掉電源,待電壓指示回零后,檢查是否回路有斷點,或者是放電計數器不適合技術指標中規定的型號。

廠家承諾、客戶必讀
說明我公司將竭誠為您提供專業的產品及咨詢與有效的技術服務,并及時提供工程預約及產品使用疑難解答, 已購買或即將使用本公司產品的客戶,遇技術疑難,請致電我們。

我們嚴格遵守與客戶簽訂的合同的各項條款,嚴格履行廠家銷售服務承諾書,本產品一年質保,終身維修,因使用不當或保修期外的故障產品可憑產品保修卡修理。本公司堅持"用戶為是,品質為上"的服務使命,為客戶提供優質的產品和滿意的服務。

產品服務流程|檢定證書| 出廠報告|保修卡|物流包裝|產品技術

400-6698-612 全國產品統一服務熱線(免費咨詢)
027-87875698 / 027-87180938

027-87180938
工作時間(上午8點30分 至 下午17點30分)

產品維修中心|技術咨詢|訂制產品
  • 客服中心
  • 全國統一服務熱線:400-6698-612
  • 銷售咨詢:027-87875698
  • 技術售后:027-87180938
  • 2239963269 (點擊咨詢)
Copyright © 2016 CHINA DSEPA | 法律聲明 鄂ICP備14004560號
武漢鼎升電力自動化有限責任公司 版權所有 侵權必究