電力預防性試驗設備提供商

服務熱線:400-6698-612
鼎升電力> 電力技術 > 電力預防性試驗 > 微機繼電保護測試儀如何校驗阻抗繼電器
電力預防性試驗 / Power Preventive Test

微機繼電保護測試儀如何校驗阻抗繼電器

返回 打印

電力技術來源:產品技術部   發布時間:2014-08-25 00:00:00   閱讀量:1792
摘要:  

微機繼電保護測試儀如何校驗阻抗繼電器,鼎升電力技術《微機繼電保護測試儀如何校驗阻抗繼電器》、使用方法及,微機繼電保護測試儀如何校驗阻抗繼電器來自于鼎升電力檢測試驗技術,鼎升電力致立研發標準、穩定、安全的電力試驗設備。

鼎升電力是相關產品及技術的制造廠家,如您遇到相關問題,可撥打027-87875698咨詢!

        DEWJB-6H微機繼電保護測試儀是在參照電力部頒發的《微機型繼電保護試驗裝置技術條件(討論稿)》的基礎上,廣泛聽取用戶意見,總結目前國內同類產品優缺點,充分使用現代先進的微電子技術和器件實現的一種新型小型化微機繼電保護測試儀微機繼電保護測試儀有8路開入和4路開出。開關量輸入電路可兼容空接點和0~250V電位接點。電位方式時,0~6V為合,11~250V為分。開關量可以方便地對各相開關觸頭的動作時間和動作時間差進行測量。微機繼電保護測試儀采用高速數字控制處理器作為輸出核心,軟件上應用32位雙精度算法產生各相任意的高精度波形。由于采用一體結構,各部分結合緊密,數據傳輸距離短,結構緊湊。克服了筆記本電腦直接控制式測控儀中因數據通信線路長、頻帶窄導致的輸出波形點數少的問題。微機繼電保護測試儀是繼保工作者得心應手的好工具。  
        DEWJB-6H微機繼電保護測試儀如何校驗阻抗繼電器:  
        (1)阻抗繼電器靈敏角和整定阻抗的測量  
        在功率、阻抗試驗中,設定Ia為5A(或1A),Uab為0.7倍整定阻抗對應的電壓,加減電壓相位角(可用自動試驗方式),測出動作區兩邊的邊界角φ1、φ2,則靈敏角φLM=½(φ1+φ2)。  
        將相角設為φLM,從高至低改變電壓至繼電器動作,得出動作電壓UDZ,根據ZSET=UDZ/I,計算整定阻抗ZSET。  
        (2)精工電流曲線的測量  
        固定電壓與電流之間的角度為φLM,逐次改變電流Iab,在每一電流時加減電壓Uab(可用自動方式),測出動作值,作出精工電流曲線 Z=f(I) 。  
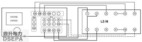
        (3)“鳥啄”現象 
電流回路開路,設置Uab初值和步長均為額定電壓,電壓由額定突降至零,繼電器觸點不應有閉合現象。接線如下圖所示:


        更多DEWJB-6H微機繼電保護測試儀的詳細參數請訪問:   
        http://m.bjzhongyuan.com.cn/501/
更多技術問題請致電鼎升電力客戶服務:400-6698-612,技術部:027-87180938,在線客服:2239963269
注:如果您對所購買的產品需要做技術引導,您可與我司技術部聯系,售后、保修、維修服務中心:/shfw.html
如果您在閱讀時,對 "微機繼電保護測試儀如何校驗阻抗繼電器"等有相關的疑問或者建議?
請給我們留言,立即留言 我們收到問題后,會及時與您聯系,如果您的問題比價重要,您也可以通過027-87875698與技術部聯系,我們同樣會盡快處理您的問題。
《中華人民共和國電信與信息服務業務經營業員許可證》粵ICP備13003602號 法律聲明